ToroSite

Unico MegaPortal de Torinos de la red!!
Fecha actual Sab Abr 04, 2026 7:19 am

Todos los horarios son UTC-03:00




Nuevo tema  Este tema está cerrado, no puede editar mensajes o enviar nuevas respuestas  [ 3 mensajes ] 
Autor Mensaje
MensajePublicado: Vie Feb 08, 2008 8:18 am 
Desconectado
Torero - Nuevo
Torero - Nuevo

Registrado: Mié Oct 31, 2007 9:44 am
Mensajes: 47
Ubicación: marianogvillar@yahoo.com.ar
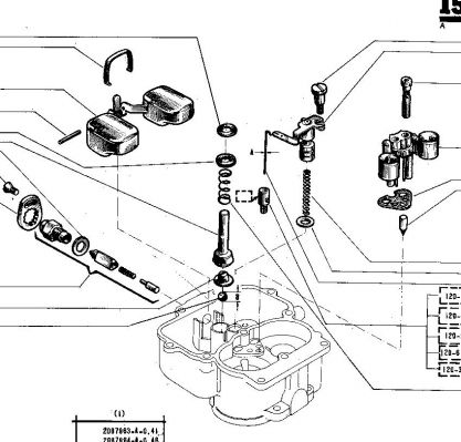
Queria saber si alguien sabe donde va una pieza del carburador que parece un punzua pero mas chico, porque al abrir el carburador para limpiarlo cayo, me parece que de x donde estan las 2 canillitas, y ademas si saben para donde poner la punta, asia arriba o abajo

_________________
elcuervomariano


Arriba
   
 
 Asunto:
MensajePublicado: Vie Feb 08, 2008 11:23 am 
Desconectado
Torero - Super 95 Oct.
Torero - Super 95 Oct.

Registrado: Lun Oct 11, 2004 10:08 am
Mensajes: 539
Ubicación: Mendoza
mira pueder la valvulita antirretorno de la bomba de pique, o la aguja del flotante fijate aca

Imagen

saludos


Arriba
   
 
 Asunto:
MensajePublicado: Sab Feb 09, 2008 7:01 am 
Desconectado
Torero - Nuevo
Torero - Nuevo

Registrado: Mié Oct 31, 2007 9:44 am
Mensajes: 47
Ubicación: marianogvillar@yahoo.com.ar
Te agradesco me resirvio el planito, te cuento que ya lo arme al carburador y quedo perfecto. Uchas gracias!!!!!!!!!!!!!!!!

_________________
elcuervomariano


Arriba
   
 
Mostrar mensajes previos:  Ordenar por  
Nuevo tema  Este tema está cerrado, no puede editar mensajes o enviar nuevas respuestas  [ 3 mensajes ] 

Todos los horarios son UTC-03:00


¿Quién está conectado?

Usuarios navegando por este Foro: No hay usuarios registrados visitando el Foro y 1 invitado


No puede abrir nuevos temas en este Foro
No puede responder a temas en este Foro
No puede editar sus mensajes en este Foro
No puede borrar sus mensajes en este Foro
No puede enviar adjuntos en este Foro

Ir a:  
Desarrollado por phpBB® Forum Software © phpBB Limited
Theme Created by HOLLYSMOKE
Theme updated to phpBB 3.1.6 by KamijouTouma
Theme Version is 3.1.6-ss2

Traducción al español por phpBB España